
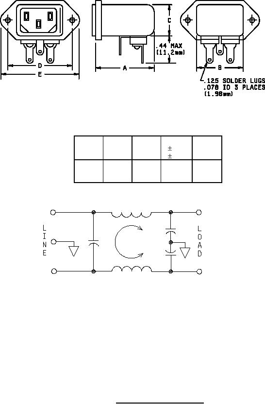
A-A-55090A
E
A
B
C
D
(max)
(max)
(max)
(max)
.015
( 0.38)
1.55
1.19
.85
1.575
1.98
(39.4)
(30.1)
(21.6)
(40.01)
(50.3)
ELECTRICAL SCHEMATIC
NOTES:
1. Dimensions are in inches.
2. Metric equivalents are given for information only.
3. Metric equivalents are in parentheses.
FIGURE 1. Configuration and dimensions.
2
For Parts Inquires call Parts Hangar, Inc (727) 493-0744
© Copyright 2015 Integrated Publishing, Inc.
A Service Disabled Veteran Owned Small Business