
INCH-POUND
MIL-F-15733/2L
1 October 2010
SUPERSEDING
MIL-F-15733/2K
27 February 2003
MILITARY SPECIFICATION SHEET
FILTERS, RADIO FREQUENCY INTERFERENCE,
HERMETICALLY SEALED, STYLE FL24
*
Inactive for new design after 12 December 1988. For new design
use MIL-PRF-15733/73. See table II for new design data.
This specification is approved for use by all Departments
and Agencies of the Department of Defense.
The requirements for acquiring the product described herein
shall consist of this specification sheet and MIL-PRF-15733.
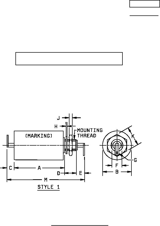
FIGURE 1. Case dimensions and circuit diagram.
AMSC N/A
FSC 5915