
INCH-POUND
MIL-F-15733/4J
27 February 2003
SUPERSEDING
MIL-F-15733/4H
27 December 1988
MILITARY SPECIFICATION SHEET
FILTERS, RADIO FREQUENCY INTERFERENCE,
STYLE FL53
Inactive for new design after 14 May 1980. For
new design use MIL-PRF-15733/73.
This specification is approved for use by all Departments
and Agencies of the Department of Defense.
The requirements for acquiring the product described herein
shall consist of this specification and MIL-PRF-15733.
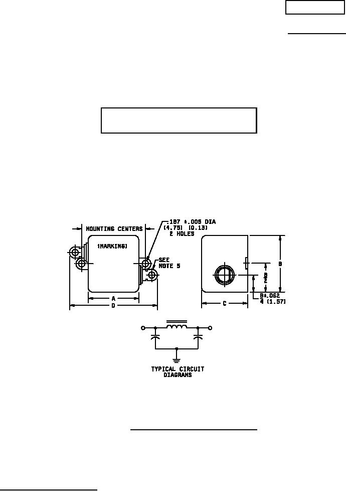
FIGURE 1. Case dimensions and circuit configuration.
AMSC N/A
1 of 4
FSC 5915
DISTRIBUTION STATEMENT A. Approved for public release; distribution is unlimited.
For Parts Inquires call Parts Hangar, Inc (727) 493-0744
© Copyright 2015 Integrated Publishing, Inc.
A Service Disabled Veteran Owned Small Business