
INCH-POUND
MIL-F-15733/53C
31 March 2003
SUPERSEDING
MIL-F-15733/53B(USAF)
19 December 1974
MILITARY SPECIFICATION SHEET
FILTERS, RADIO FREQUENCY INTERFERENCE,
STYLE FL86
This specification sheet is approved for use by all Depart-
ments and Agencies of the Department of Defense.
MIL-F-15733/53 is inactive for new design after 7 May 1986 and is no longer
used except for replacement purposes. See table III for supersession data.
The complete requirements for acquiring the filters described herein shall
consist of this specification sheet and the latest issue of MIL-PRF-15733.
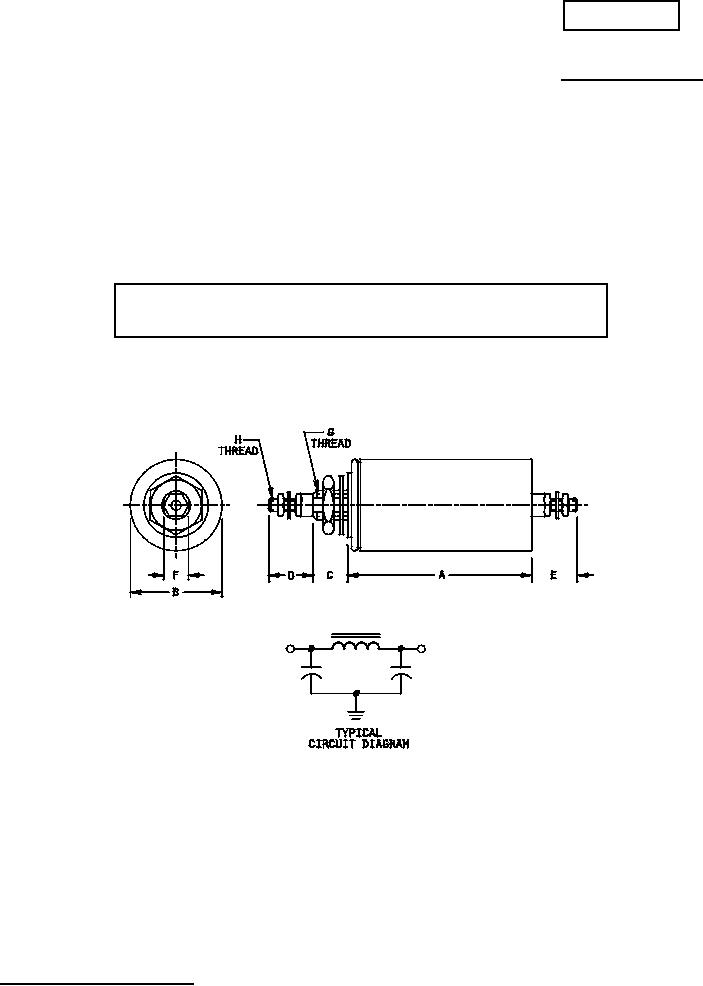
NOTES:
1. Dimensions are in inches.
2. Metric equivalents are in parentheses.
3. Metric equivalents are given for general information only.
4. Circuit diagram is for information only.
5. Mounting hardware shall be supplied with filter.
AMSC N/A
1 of 4
FSC 5915
DISTRIBUTION STATEMENT A. Approved for public release; distribution is unlimited.