
INCH-POUND
MIL-F-15733/64A
26 September 2003
SUPERSEDING
MIL-F-15733/64
26 June 1978
MILITARY SPECIFICATION SHEET
FILTERS, RADIO FREQUENCY INTERFERENCE,
STYLE FL49
This specification is approved for use by all Depart-
ments and Agencies of the Department of Defense.
The complete requirements for acquiring the filters described herein shall
consist of this specification and the latest issue of MIL-PRF-15733.
MIL-F-15733/64 is inactive for
new design after 31 July 1993.
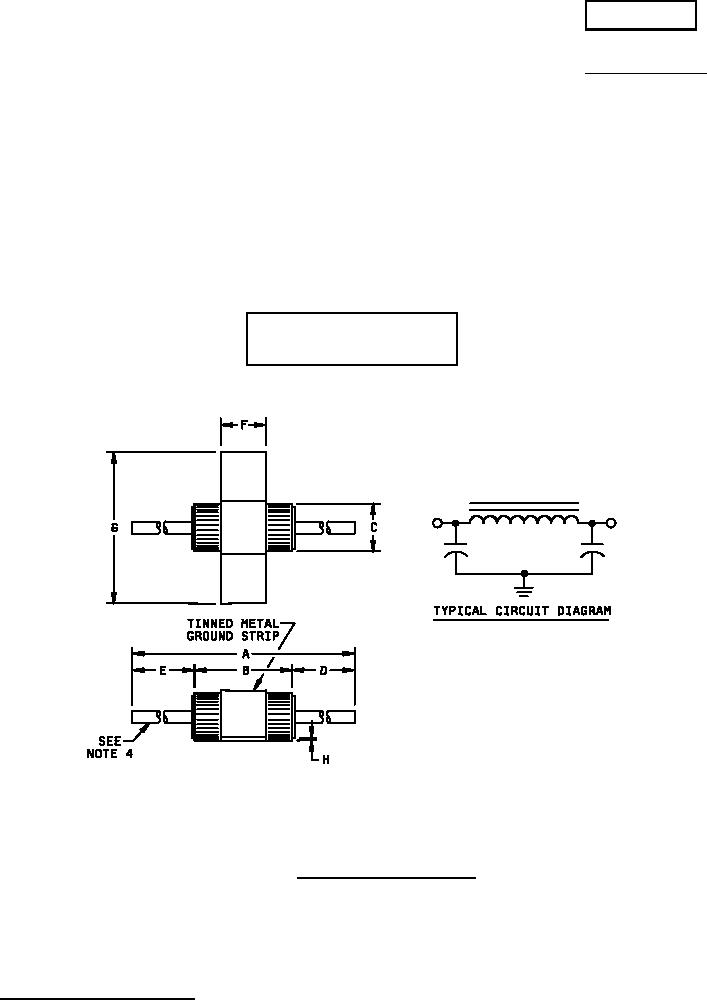
FIGURE 1. Case and circuit configuration.
AMSC N/A
1 of 4
FSC 5915
DISTRIBUTION STATEMENT A. Approved for public release; distribution is unlimited.
For Parts Inquires call Parts Hangar, Inc (727) 493-0744
© Copyright 2015 Integrated Publishing, Inc.
A Service Disabled Veteran Owned Small Business