
INCH-POUND
MIL-PRF-15733/25C
27 February 2003
SUPERSEDING
MIL-PRF-15733/25B
30 September 1987
PERFORMANCE SPECIFICATION SHEET
FILTERS, RADIO FREQUENCY INTERFERENCE,
HERMETICALLY SEALED, STYLE FL13
The following part numbers are inactive for new design as of 30 September 1987:
M15733/25-0001 through -0006, M15733/25-0008 through -0011, M15733/25-0013
through -0018, and M15733/25-0020 through -0023. See table III for supersession
data.
This specification is approved for use by all Departments
and Agencies of the Department of Defense.
The complete requirements for acquiring the filters described herein shall
consist of this specification and the latest issue of MIL-PRF-15733.
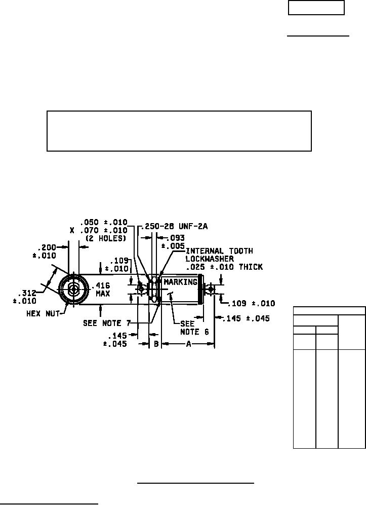
Dimension
B ± .015
.187
.312
A max
Dash
Dash
no.
no.
0001
0013
.743
0002
0014
.793
0003
0015
.728
0004
0016
.793
0005
0017
.743
0006
0018
.793
0007
0019
1.345
0008
0020
.738
0009
0021
.743
0010
0022
.793
0011
0023
.738
0012
0024
1.179
FIGURE 1. Case dimensions and circuit diagrams.
AMSC N/A
1 of 6
FSC 5915
DISTRIBUTION STATEMENT A. Approved for public release; distribution is unlimited.
For Parts Inquires call Parts Hangar, Inc (727) 493-0744
© Copyright 2015 Integrated Publishing, Inc.
A Service Disabled Veteran Owned Small Business