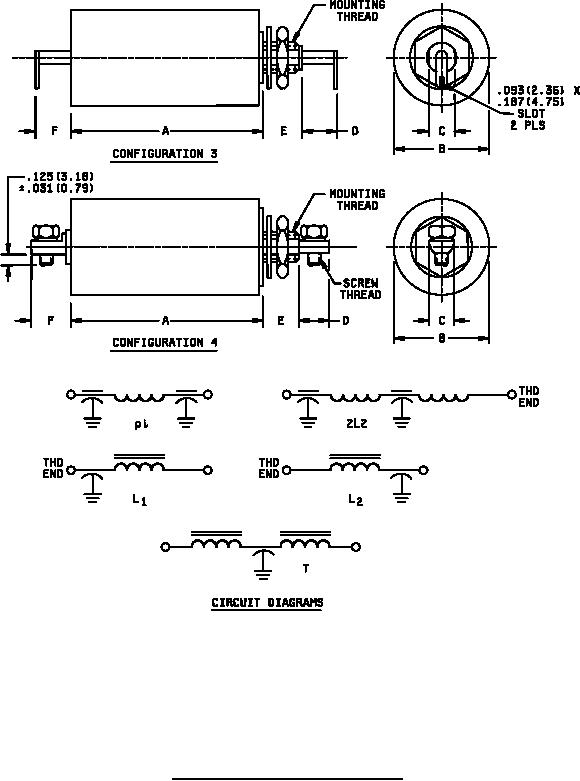
MIL-PRF-15733-31 Filters, Radio Frequency Interference, Hermetically Sealed, Style Fl83