
INCH-POUND
MIL-PRF-15733/33D
31 July 2003
SUPERSEDING
MIL-PRF-15733/33C
27 June 1988
PERFORMANCE SPECIFICATION SHEET
FILTERS, RADIO FREQUENCY INTERFERENCE,
STYLE FL38
This specification sheet is approved for use by all Depart-
ments and Agencies of the Department of Defense.
The complete requirements for acquiring the filters described herein shall
consist of this specification sheet and the latest issue of MIL-PRF-15733.
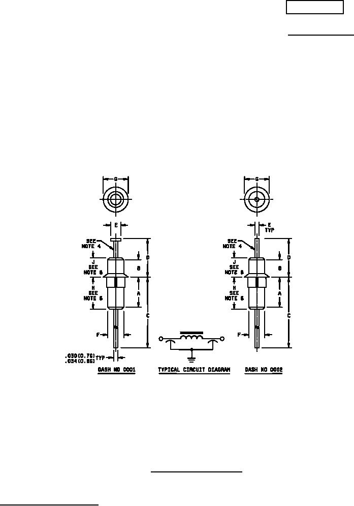
NOTES:
1. Dimensions are in inches.
2. Metric equivalents are given for general information only.
3. Circuit diagram for information only.
4. Leads shall be solid, solder-coated, AWG 20 (.032).
5. Suggested mounting hole diameter, .160 (4.06 mm).
6. Dimensions H and J are from mounting surface to clean lead.
FIGURE 1. Dimensions and configuration.
AMSC N/A
1 of 4
FSC 5915
DISTRIBUTION STATEMENT A. Approved for public release; distribution is unlimited.
For Parts Inquires call Parts Hangar, Inc (727) 493-0744
© Copyright 2015 Integrated Publishing, Inc.
A Service Disabled Veteran Owned Small Business