
INCH-POUND
MIL-PRF-15733/39K
14 April 2009
SUPERSEDING
MIL-PRF-15733/39J
27 February 2003
PERFORMANCE SPECIFICATION SHEET
FILTERS, RADIO FREQUENCY INTERFERENCE,
HERMETICALLY SEALED, STYLE FL91
*
PINs M15733/39-0007, -0008, -0011, -0013, are inactive for new design
as of 19 August 1981. PINs M15733/39-0001, -0002, -0003, -0004,
-0005, -0006, -0010, -0016, -0017, and -0018 are inactive for new design
after 14 April 2009. For new design, see table II for substitution data.
This specification sheet is approved for use by all Depart-
ments and Agencies of the Department of Defense.
The complete requirements for acquiring the filters described herein
shall consist of this specification sheet and MIL-PRF-15733.
*
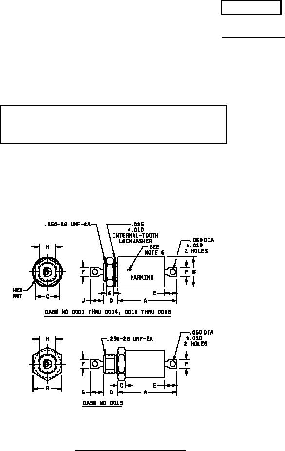
FIGURE 1. Case dimensions and circuit diagrams.
AMSC N/A
FSC 5915
For Parts Inquires call Parts Hangar, Inc (727) 493-0744
© Copyright 2015 Integrated Publishing, Inc.
A Service Disabled Veteran Owned Small Business