
INCH-POUND
MIL-PRF-15733/43E
17 July 2003
SUPERSEDING
MIL-PRF-15733/43D
6 May 1994
PERFORMANCE SPECIFICATION SHEET
FILTERS, RADIO FREQUENCY INTERFERENCE,
STYLE FL70
Part or Identifying Numbers (PIN's) M15733/43-0001 and M15733/43-0002 are inactive
for new design after the date of this specification. For new design use M15733/61-0002
for M15733/43-0001 and M15733/61-0008 for M15733/43-0002.
This specification sheet is approved for use by all Depart-
ments and Agencies of the Department of Defense.
The complete requirements for acquiring the filters described herein shall
consist of this specification sheet and the latest issue of MIL-PRF-15733.
CL
CL
CL
CL
CL
CL
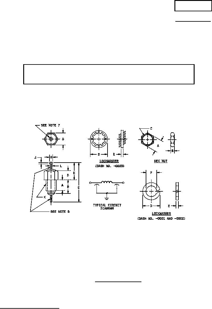
NOTES:
1. Dimensions are in inches.
2. Metric equivalents are given for general information only.
3. Circuit diagram is for information only.
4. Recommended mounting torque: 3 in-lb (-0001) and 6 in-lb (-0002 and -0003) maximum.
5. Mounting hardware (lockwasher and hex nut) will be supplied with each filter.
6. Leads shall be silver coated or solder coated copper.
7. Turret head is optional.
FIGURE 1. Case and circuit diagram.
AMSC N/A
1 of 5
FSC 5915
DISTRIBUTION STATEMENT A. Approved for public release; distribution is unlimited.