
INCH-POUND
MIL-PRF-15733/46C
17 July 2003
SUPERSEDING
MIL-PRF-15733/46B
10 August 1990
PERFORMANCE SPECIFICATION SHEET
FILTERS, RADIO FREQUENCY INTERFERENCE
SUPPRESSION, STYLE FL41
This specification sheet is approved for use by all Depart-
ments and Agencies of the Department of Defense.
The complete requirements for acquiring the filters described herein shall
consist of this specification sheet and the latest issue of MIL-PRF-15733.
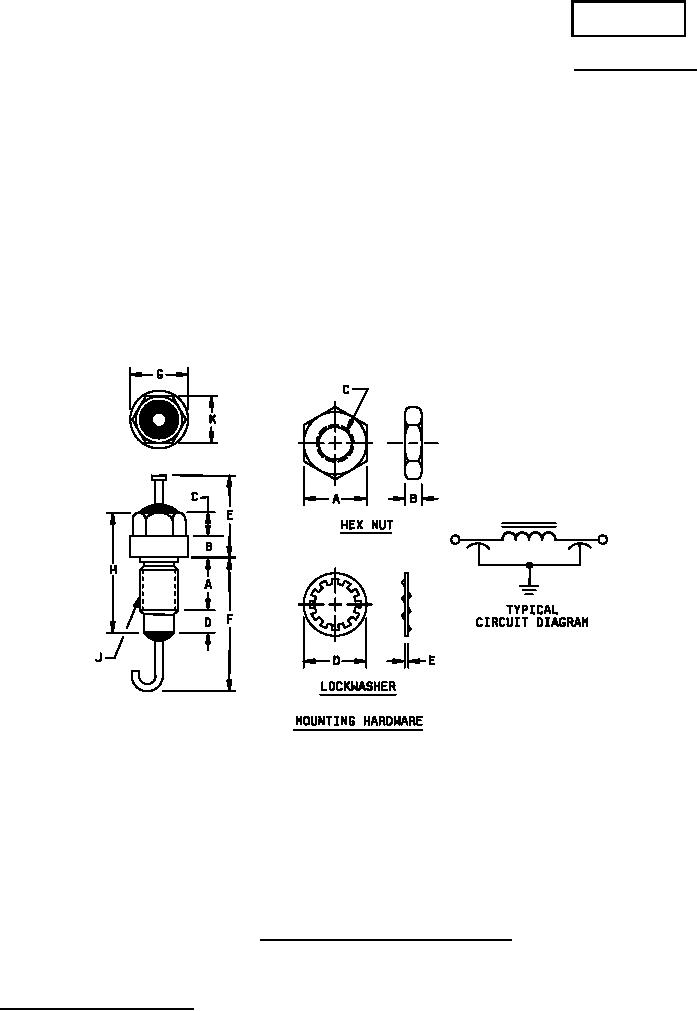
NOTES:
1. Dimensions are in inches.
2. Metric equivalents are given for general information only.
3. Circuit diagram for information only.
4. Recommended mounting torque: 6-8 inches-pounds.
5. Case is ground terminal.
6. Mounting hardware (lockwasher and hex nut) shall be supplied with filter.
7. Turret head is optional.
FIGURE 1. Case dimensions and circuit configurations.
AMSC N/A
1 of 4
FSC 5915
DISTRIBUTION STATEMENT A. Approved for public release; distribution is unlimited.