
INCH-POUND
MIL-PRF-15733/55F
28 October 2008
SUPERSEDING
MIL-PRF-15733/55E
31 March 2003
PERFORMANCE SPECIFICATION SHEET
FILTERS, RADIO INTERFERENCE, HERMETICALLY SEALED
STYLE FL85
*
MIL-PRF-15733/55 IS INACTIVE FOR NEW DESIGN AFTER
28 OCTOBER 2008. FOR NEW DESIGN USE MIL-PRF-15733/73.
SEE TABLE IV FOR SUBSTITUTION DATA.
This specification sheet is approved for use by all Depart-
ments and Agencies of the Department of Defense.
The requirements for acquiring the filters described herein
shall consist of this specification sheet and MIL-PRF-15733.
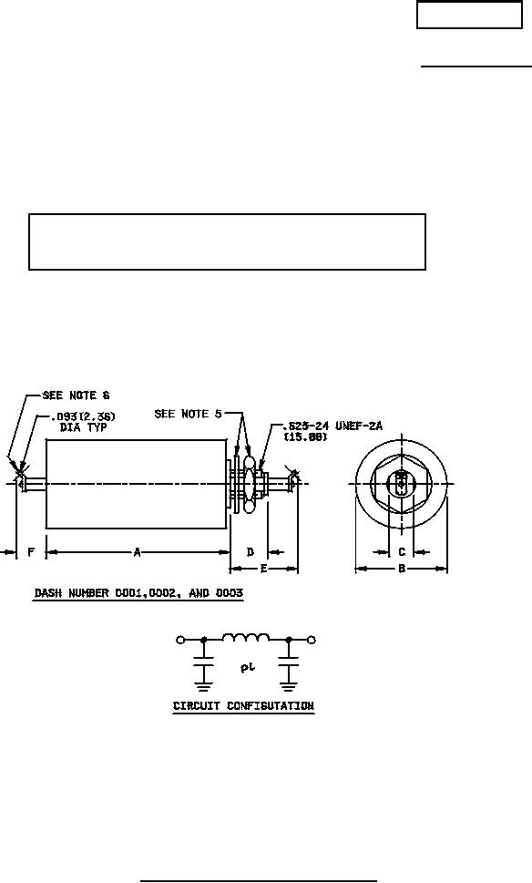
NOTES:
1. Dimensions are in inches.
2. Metric equivalents are in parentheses.
3. Metric equivalents are given for general information only.
4. Circuit diagram is for information only.
5. Mounting hardware (internal-tooth lockwasher and hex nut) shall be supplied with filter.
6. Terminal shape and angular orientation optional.
FIGURE 1. Case dimensions and circuit configurations.
AMSC N/A
FSC 5915