
INCH-POUND
MIL-PRF-15733/57D
23 April 2009
SUPERSEDING
MIL-PRF-15733/57C
28 May 2003
PERFORMANCE SPECIFICATION SHEET
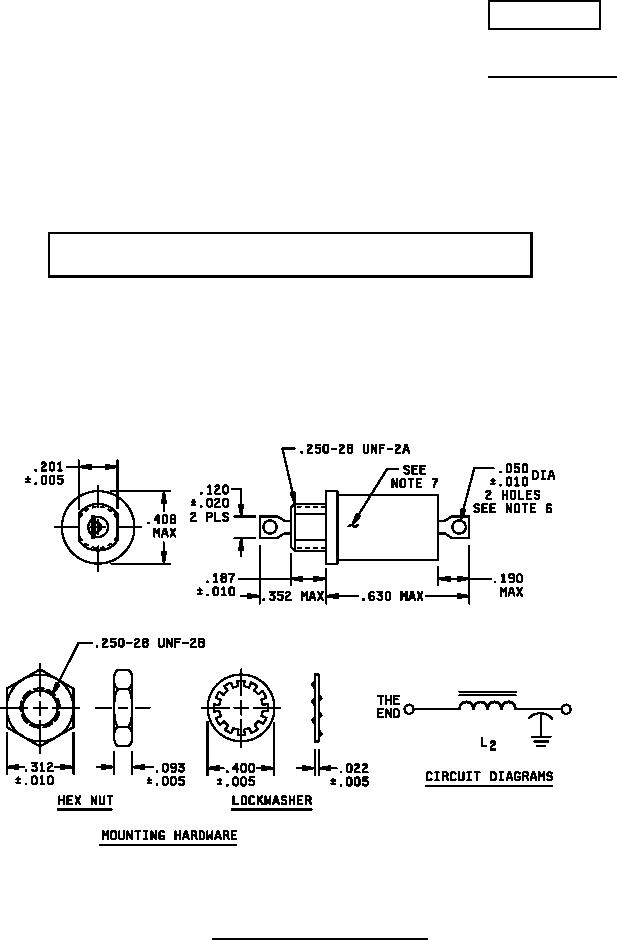
FILTER, RADIO FREQUENCY INTERFERENCE,
HERMETICALLY SEALED, STYLE FL62
*
Inactive for new design after 23 April 2009. Used for replacement purposes
only. For new design use MIL-PRF-28861/5; PIN M28861/05-005TB.
This specification sheet is approved for use by all Depart-
ments and Agencies of the Department of Defense.
The complete requirements for acquiring the filters described herein
shall consist of this specification sheet and MIL-PRF-15733.
*
FIGURE 1. Case dimensions and circuit diagram.
AMSC N/A
FSC 5915
For Parts Inquires call Parts Hangar, Inc (727) 493-0744
© Copyright 2015 Integrated Publishing, Inc.
A Service Disabled Veteran Owned Small Business