
INCH-POUND
MIL-PRF-15733/59B
2 June 2009
SUPERSEDING
MIL-PRF-15733/59A
23 January 2004
PERFORMANCE SPECIFICATION SHEET
FILTERS, RADIO FREQUENCY INTERFERENCE,
HERMETICALLY SEALED, STYLE FL64
This specification sheet is approved for use by all Depart-
ments and Agencies of the Department of Defense.
*
Part or Identifying Numbers (PIN's) M15733/59-0001 through M15733/59-0006 are inactive
for new design after 2 June 2009. For new design see table V for supersession data.
The requirements for acquiring the filters described herein
shall consist of this specification sheet and MIL-PRF-15733.
*
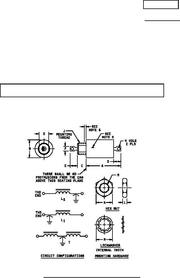
FIGURE 1. Filter and hardware dimensions, and circuit configurations.
AMSC N/A
FSC 5915
For Parts Inquires call Parts Hangar, Inc (727) 493-0744
© Copyright 2015 Integrated Publishing, Inc.
A Service Disabled Veteran Owned Small Business