
INCH-POUND
MIL-PRF-15733/61G
4 February 2011
SUPERSEDING
MIL-PRF-15733/61F
2 September 2010
PERFORMANCE SPECIFICATION SHEET
FILTERS, RADIO FREQUENCY INTERFERENCE,
STYLES FL30, FL32, FL34, AND FL43
PART OR IDENTIFYING NUMBERS (PIN's) M15733/61-0001 and 0004
ARE INACTIVE FOR NEW DESIGN AFTER 4 DECEMBER 1979.
SEE TABLE V FOR NEW DESIGN DATA.
This specification sheet is approved for use by all Departments
and Agencies of the Department of Defense.
The requirements for acquiring the filters described herein
shall consist of this specification sheet and MIL-PRF-15733.
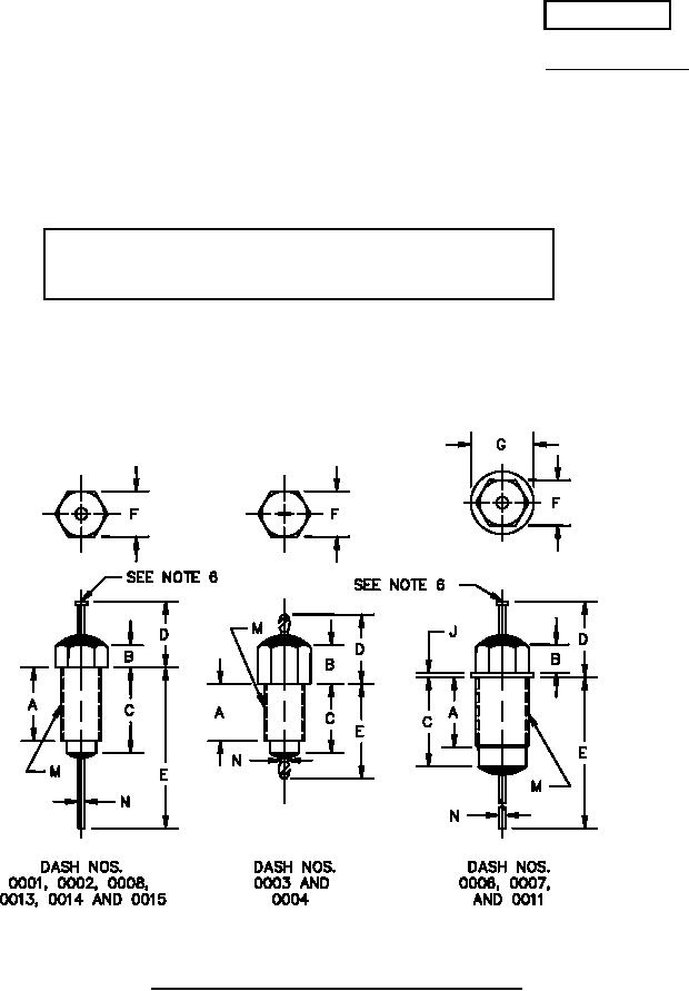
FIGURE 1. Filter and hardware dimensions and circuit configurations.
AMSC N/A
FSC 5915