
INCH-POUND
MIL-PRF-15733/63A
26 September 2003
SUPERSEDING
MIL-PRF-15733/63
12 November 1976
PERFORMANCE SPECIFICATION SHEET
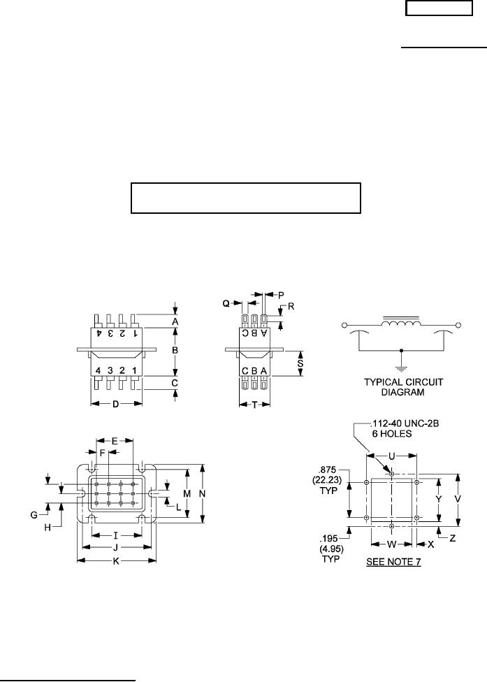
FILTERS, RADIO FREQUENCY INTERFERENCE,
STYLE FL37
This specification sheet is approved for use by all Depart-
ments and Agencies of the Department of Defense.
MIL-PRF-15733/63 is inactive for new design after
26 September 2003.
The requirements for acquiring the product described herein
shall consist of this specification sheet and MIL-PRF-15733.
AMSC N/A
1 of 5
FSC 5915
DISTRIBUTION STATEMENT A. Approved for public release; distribution is unlimited.
For Parts Inquires call Parts Hangar, Inc (727) 493-0744
© Copyright 2015 Integrated Publishing, Inc.
A Service Disabled Veteran Owned Small Business