
INCH-POUND
MIL-PRF-15733/72C
14 march 2008
SUPERSEDING
MIL-PRF-15733/72B
8 May 2003
PERFORMANCE SPECIFICATION SHEET
FILTERS, RADIO FREQUENCY INTERFERENCE,
HERMETICALLY SEALED, STYLE FL54
This specification sheet is approved for use by all Departments
and Agencies of the Department of Defense.
The complete requirements for acquiring the filters described herein shall
consist of this specification sheet and the latest issue of MIL-PRF-15733.
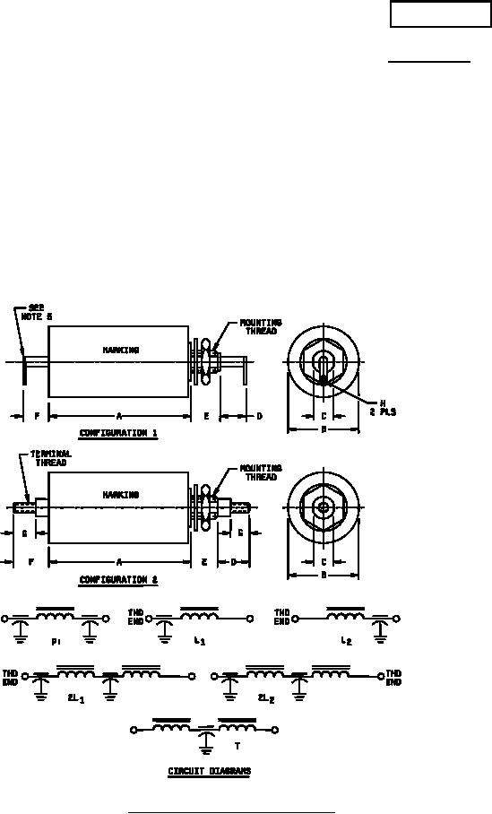
FIGURE 1. Case dimensions and circuit diagrams.
AMSC N/A
FSC 5915
For Parts Inquires call Parts Hangar, Inc (727) 493-0744
© Copyright 2015 Integrated Publishing, Inc.
A Service Disabled Veteran Owned Small Business