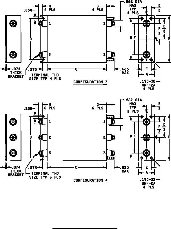
MIL-PRF-15733-75 Filters, Radio Frequency Interference, Hermetically Sealed, Style Fl98