
INCH-POUND
MIL-PRF-28861/4D
14 February 2008
SUPERSEDING
MIL-PRF-28861/4C
10 February 2003
PERFORMANCE SPECIFICATION SHEET
FILTERS, RADIO FREQUENCY/ELECTROMAGNETIC INTERFERENCE
SUPPRESSION, HERMETICALLY SEALED, STYLE FS40
This specification is approved for use by all Depart-
ments and Agencies of the Department of Defense.
The requirements for acquiring the product described herein
shall consist of this specification sheet and MIL-PRF-28861.
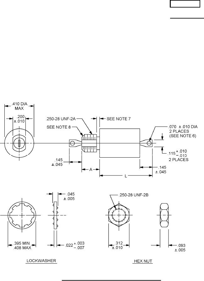
FIGURE 1. Case and hardware dimensions and circuit diagrams.
AMSC N/A
FSC 5915
For Parts Inquires call Parts Hangar, Inc (727) 493-0744
© Copyright 2015 Integrated Publishing, Inc.
A Service Disabled Veteran Owned Small Business