
INCH-POUND
MIL-PRF-15733/54G
28 October 2003
SUPERSEDING
MIL-PRF-15733/54F
22 November 1983
PERFORMANCE SPECIFICATION SHEET
FILTERS, RADIO FREQUENCY INTERFERENCE,
HERMETICALLY SEALED, STYLE FL94
This specification sheet is approved for use by all Depart-
ments and Agencies of the Department of Defense.
The complete requirements for acquiring the filters described herein shall
consist of this specification sheet and the latest issue of MIL-PRF-15733.
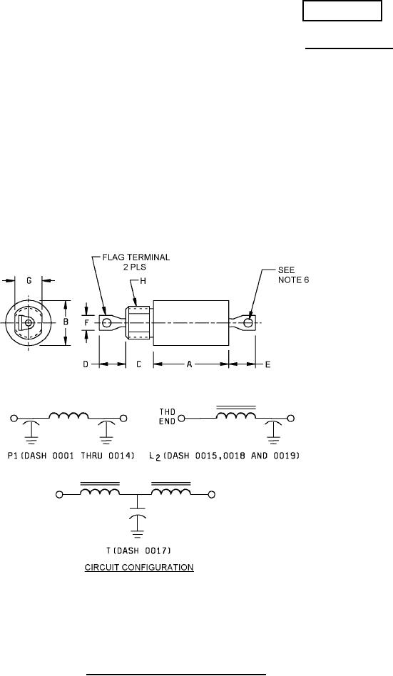
FIGURE 1. Case dimensions and circuit configurations.
AMSC N/A
1 of 6
FSC 5915
For Parts Inquires call Parts Hangar, Inc (727) 493-0744
© Copyright 2015 Integrated Publishing, Inc.
A Service Disabled Veteran Owned Small Business