
MIL-PRF-15733/54G
NOTES:
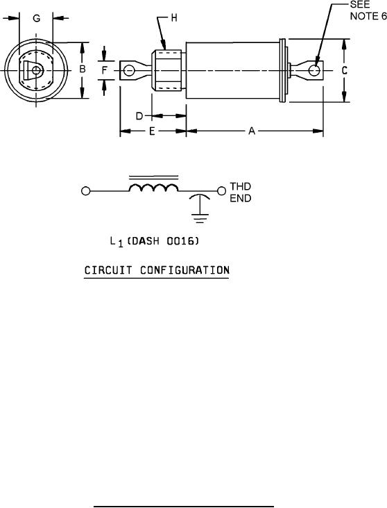
1. Dimensions are in inches.
2. Metric equivalents are in parentheses and are given for general information only.
3. Circuit diagram is for information only.
4. All filters shall be supplied with mounting hardware.
5. Use of style FL94 with or without shoulder is optional.
6. Wire hole diameter .060 (1.52 mm) (REF) for -0001 through -0016, -0018 and -0019, and .062 X .125
(1.57 X 3.18 mm) (REF) for -0017 (2 places).
FIGURE 1. Case dimensions and circuit configurations - Continued.
2
For Parts Inquires call Parts Hangar, Inc (727) 493-0744
© Copyright 2015 Integrated Publishing, Inc.
A Service Disabled Veteran Owned Small Business